Descriere
Senzorul de mișcare de sine stător este un controler de securitate/lumină complet automat utilizabil interior și exterior. Noaptea senzorul în infraroșu pasiv încorporat (PIR) pornește sistemul de iluminat conectat atunci când detectează mișcare în zona sa de acoperire. În timpul zilei fotocelula încorporată economisește energie electrică prin dezactivarea luminilor. Un temporizator reglabil vă permite să selectați cât timp rămâne lumina aprinsă după activare. Unitatea este echipată cu funcția de compensare a temperaturii care poate compensa sensibilitatea atunci când temperatura din jur crește. Detectarea Gama poate fi setată cu un set de capace de lentile cu clips decupabile pentru a evita declanșarea falsă de către mașini sau pietoni.
Unitatea are în dotare un LED de scanare care comunică utilizatorilor starea senzorului de mișcare. Instalarea se poate face pe perete sau tavan.
Documente atașate
Produse similare:
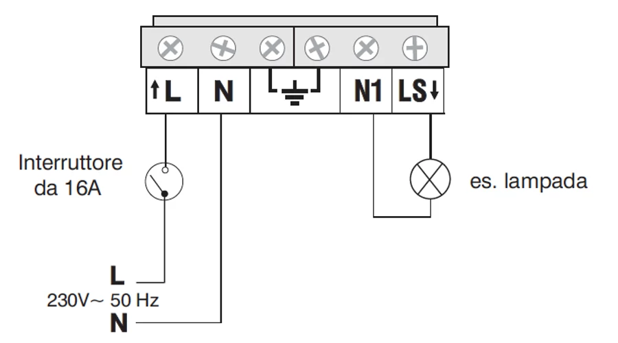
Senzor de prezență cu infraroșu ''zero traversare'' SP015- alb
Caracteristici tehnice:
- Tensiune de rețea 230V
- Montabil pe plafon
- Culoare produs: alb
- Grad de protecție IP20
- Grad de poluare: normal
- Unghi de detectare: 360°
- Distanță de detectare max.12m
- Ajustare de la 5 la 1000 LUX
- Clasa de izolare II
- Reglarea întârzierii dezactivării 2sec-15min
- Marcajul CE standard de referință LVD/EMC EN60669-2-1
- Dimensiuni : ÎxL ø 130x70mm
Sarcină maximă de iluminare:
- Lampă incandescentă 2000W
- LampI fluorescente (necompensate) 480W
- Lampi fluorescente (compensate în paralel) 220W
- Lămpi CFL / LED (230V)7W÷23W max 8 lămpi
Priză inteligentă programabilă:
- Tensiune de alimentare 230V
- Programabil cu aplicație
- Programe maxime: 15 programe săptămânale pentru funcționalitate
- Buton frontal
- Indicator LED de stare a relelului
- Dimensiuni : 56 x 40 x 111mm
Termostat programabil Wi-fi 230V cu receptor radio 868,35MHz, alb
Caracteristici tehnice:
- Tensiune de rețea 230V-50Hz
- Ieșire un contact comutator fără potențial: 5 (3) A / 250V a.c
- Afișaj backlit LCD de 4,3 inchi
- Butoane backlit
- Modul de funcționare ON/OFF cu comutator diferențial reglabil 0,2-1,2ºC sau modulant cu perioadă de control de la 7 la 20 de minute
- Programare săptămânală cu până la 10 programe zilnice cu interventie minim de 1 minut
- Program de concediu (economizor de energie)
- Program de activare a pompei
- Iluminare de fundal temporizată
- Blocare tastatură
- Montabil pe perete
- Dismensiuni: 128,5 x 88,5 x 26mm
Caracteristici tehnice:
- Alimentare 230V
- Suportă maxim 15 programe săptămânale pentru fiecare funcție
- Timp minim de conectare ON-OFF 1minut
- Vizualizare prin aplicație
- Secțiunea transversală maximă a firelor la borne: 6mm
- Grad de protecție: IP20-IP40
- Tip ieșire: terminale cu șurub captiv
- Clasa de izolare II
- Semnal releu ON/OFF: LED
- Acumlator de rezervă cu autonomie minimă de 72 de ore
- Toleranța în timp: ±0,5 sec/zi
- Limite de temperatură de funcționare: 0ºC la +50ºC
- Temperatura de depozitare: -10ºC la +65ºC
- Tip de instalare: șină DIN / pe spatele tabloului de distribuție
- Carcasa: termoplastic -gri RAL7035
- Tip de utilizare: civil/terțiar/industrial
- Comenzi: buton ON/OFF/Reset din față
- Precizia setării ceasului: digital pentru ore/minute
- Dimensiune (LxLxA) 35x60x90mm
Funcții:
- temporizator
- numărătoare inversă
- aleatoriu
- ciclic
- istorie
Ceas temporizator Perry cu tacheți și module de afișare
Modul digital de cronometru săptămânal cu tachete și afișaj
Caracteristici tehnice:
- Tensiune de alimentare 230V
- Număr maxim de programe (ON-OFF) 96(zilnic) / 672(săptămânal)
- ON-OFF timp minim de conectare 15 minute
- Afișaj LCD rotund
- Puter comutabilă maximă 3500VA (pentru contact individual)
- Putere: LP-uri compacte, fluorescente de 600W
- Dimensiune max. cabluri 2,5mm2
- Grade de protecție (IP): IP40 montat pe perete, pe spatele tabloului
- Tip terminale de ieșire cu șurub captiv
- Clasa de izolare: II
- Semnalizarea releului ON/OFF pe afișajul LCD
- Acumlator de rezervă cu autonomie maximă de 15 zile
- Toleranță de timp ±1sec/zi
- Limite de temoeratură de funcționare 0°C/ +50°C
- Temperatura de depozitare -10°C/+50ºC
- Tip de instalare: montat pe perete/pe spatele tabloului/încorporat
- Carcasă termoplastică-gri RAL7035
- Tip de utilizare: civilă/terțială/industrială
- Controlează tastele de programare-tasta de resetare ON/OFF tastă funcțională manuală
- Precizie digitală la setarea ceasului
- Dimensiune (LxLxA) 72x67,5x101mm
Termostat programabil montabil pe perete 3V, antracit
Caracteristici tehnice:
- Meniu în mai multe limbi
- Alimentare cu baterii alcaline 3V AA
- Ecran LCD backlit de 4,3 inchi
- Ieșire: 1 contact comutator fără potențial 5(3)A/250 a.c
- Mod de funcționare ON/OFF cu diferențial reglabil de la 0,2 - 1,2°C sa modulând cu perioadă de control de la 7-20 min
- 4 programe modificabile presetate (2iarna +2vara)
- 3 nivele de temperatură +anti îngheț
- Temperatură manuală independentă
- Temperatură setabilă cu 0,1°C
- Programare minimă : 30 de minute
- Funcționare manuală temporară/permanentă
- Funcție automată de iluminare și trecere la ora iarnă/vară
- Funcție de pauză pentru curățenia gospodăriei
- Posibilitate conectare telefon prin cablu pentru programare
- Control vară/iarnă
- Posibilitate conectare detector de temperatură (1PA STE02)
- Program de activare a pompei (doar modelele cu baterii)
- Blocarea setarii temperaturii
- Parolă instalator/utilizator
- Iluminare de fundal: temporizat
- Indicator de stare releu
- Decalaj de temperatură: reglabil în funcție de poziționarea produsului
- Interval de setare a temperaturii: 5 - 37,7ºC
- Dimensiune 128 x 88,5 x 26mm
Termostat programabil montabil pe perete 3V, alb
Caracteristici tehnice:
- Meniu în mai multe limbi
- Alimentare cu baterii alcaline 3V AA
- Ecran LCD backlit de 4,3 inchi
- Ieșire: 1 contact comutator fără potențial 5(3)A/250 a.c
- Mod de funcționare ON/OFF cu diferențial reglabil de la 0,2 - 1,2°C sa modulând cu perioadă de control de la 7-20 min
- 4 programe modificabile presetate (2iarna +2vara)
- 3 nivele de temperatură +anti îngheț
- Temperatură manuală independentă
- Temperatură setabilă cu 0,1°C
- Programare minimă : 30 de minute
- Funcționare manuală temporară/permanentă
- Funcție automată de iluminare și trecere la ora iarnă/vară
- Funcție de pauză pentru curățenia gospodăriei
- Posibilitate conectare telefon prin cablu pentru programare
- Control vară/iarnă
- Posibilitate conectare detector de temperatură (1PA STE02)
- Program de activare a pompei (doar modelele cu baterii)
- Blocarea setarii temperaturii
- Parolă instalator/utilizator
- Iluminare de fundal: temporizat
- Indicator de stare releu
- Decalaj de temperatură: reglabil în funcție de poziționarea produsului
- Interval de setare a temperaturii: 5 - 37,7ºC
- Dimensiune 128 x 88,5 x 26mm
Programator analogic, zilnic, Perry fără tacheți și rezervă de încărcare 2 DIN
Caracteristici tehnice:
- Tensiune de alimentare 230V
- Număr maxim de programe (ON-OFF) 96
- Timp minim de comutare ON-OFF 15 minute
- Inel cu tachete mecanice vizibile
- Secțiunea transversală maximă a cablurilor la terminale 2,5mm2
- Grad de protecție : IP30
- Terminale de ieșire a șuruburilor captive
- Clasa de izolare II
- Rezervă de încărcare max 150 ore
- Tip acumlator reîncărcabil NiCd de rezervă
- Toleranță de timp ±1sec/zi
- Temperatura limită de funcționare -10°C - 50°C
- Temperatura de depozitare -10°C - 50°C
- Tip de instalare pe șină DIN/montat pe perete/spatele tabloului de distribuție
- Carcasă termoplastică -RAL 7035gri
- Tip de utilizare civil/terțiar/industrial
- Dimensiuni : 35 x 60 x 90

